上海枫信

上海枫信

联系我们
Coutact us
地址:上海市嘉定区外冈区宝钱公路5000弄

电话:021-69577328

021-69577152

15026720952

传真:021-69577150

手机:15026720952

15121132945

18964087328

13296071714

13564840659

邮箱:514765255@qq.com

qq:514765255

QQ点击下面

点击这里给我发消息

扫一扫下载三维图纸


扫一扫加微信技术与您沟通

为您提供选型报价服务

为您提供邮寄样本服务

为您提供电子样本服务

为您提供三维二维服务

为您服务是我们的荣幸

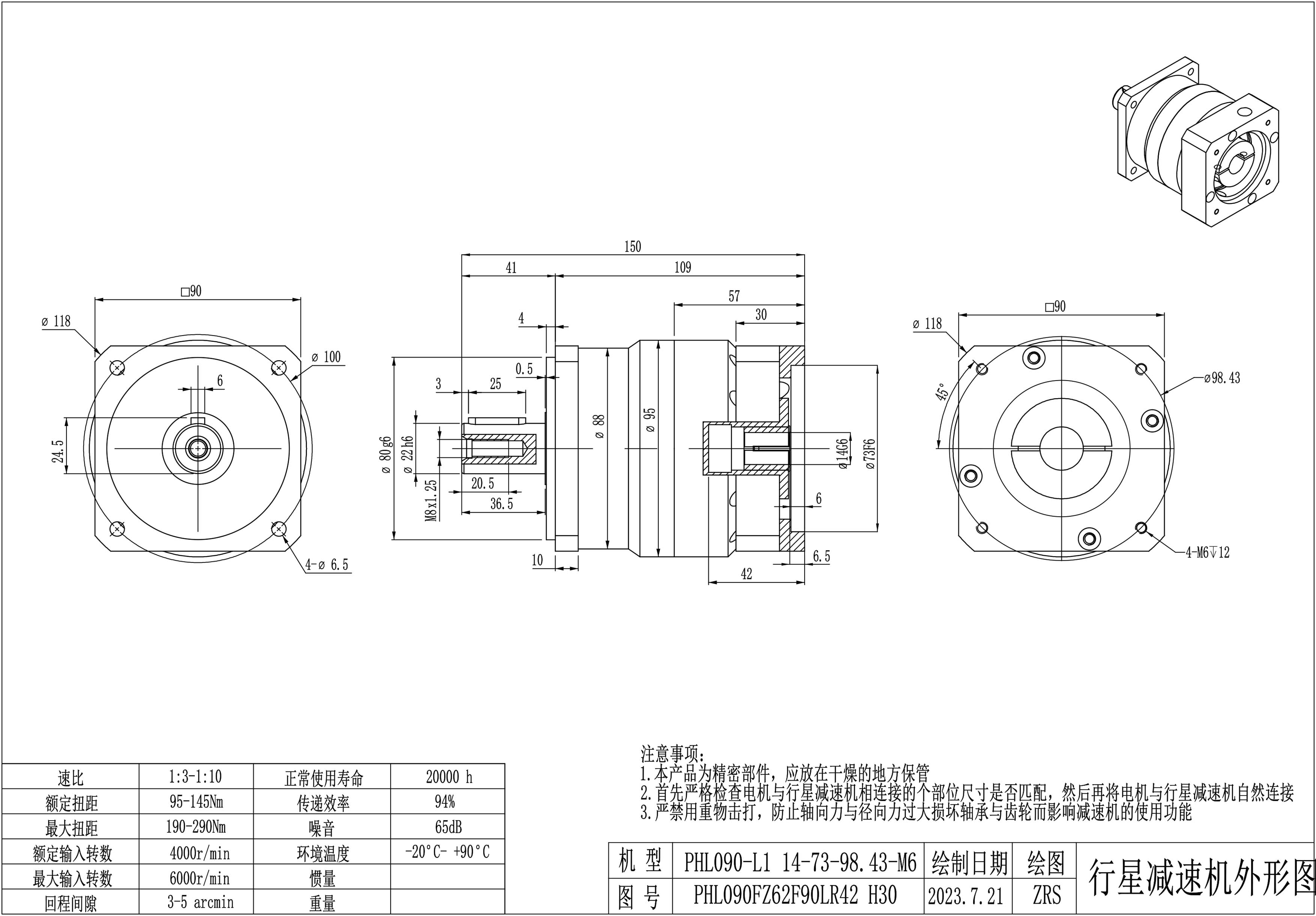
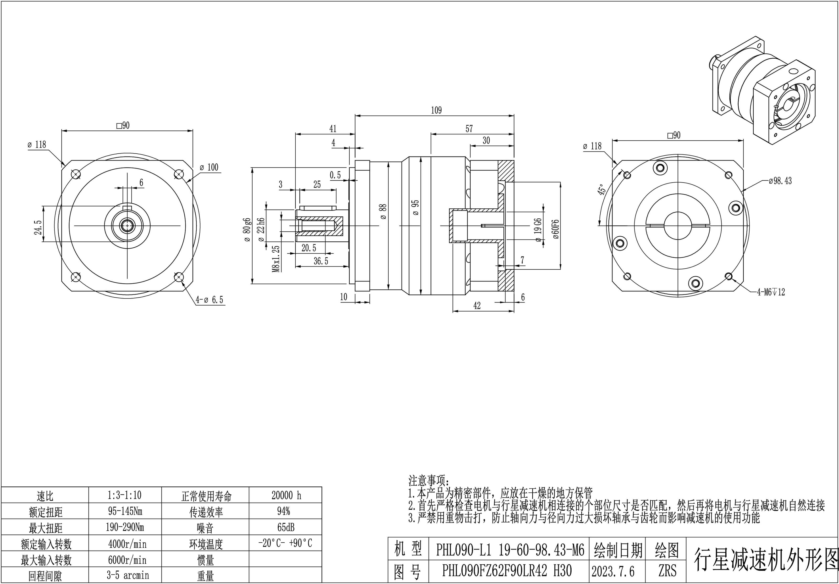
KB系列伺服行星减速机PHL090-L1 14-73-98.43-M6 PHL090-L1 19-60-98.43-M6 PHL090-L2 14-73-98.43-M6